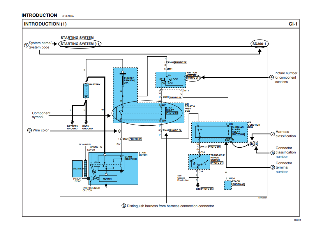
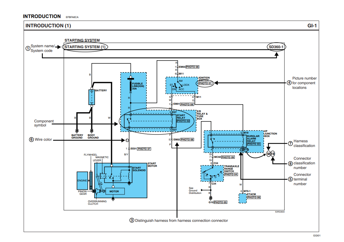
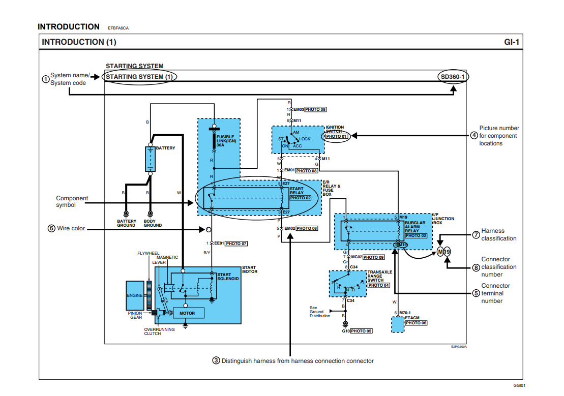
manualesdemaquinaria
Manual de Datos de Servicio General de JCB
Manual de Datos de Servicio General de JCB
Precio habitual
$26.91 USD
Precio habitual
Precio de oferta
$26.91 USD
Precio unitario
/
por
No se pudo cargar la disponibilidad de retiro


