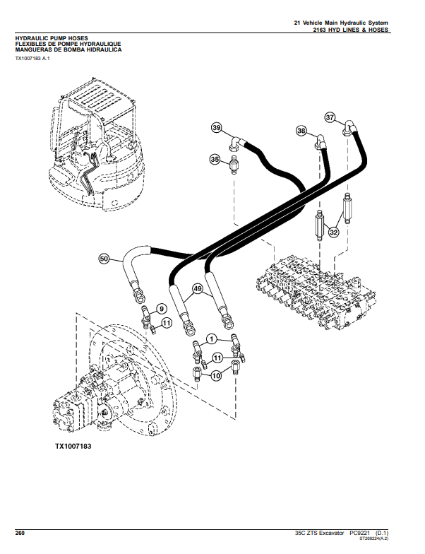
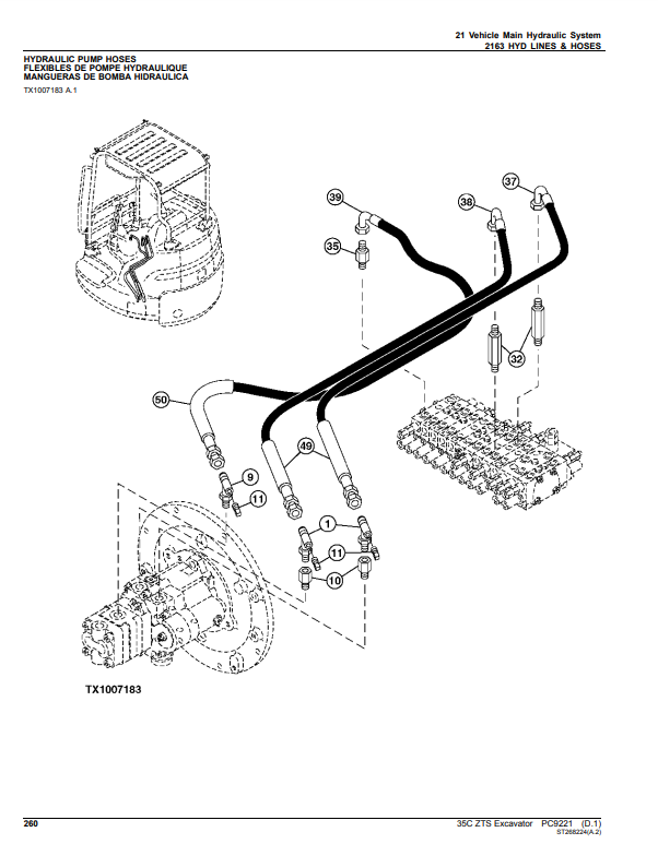
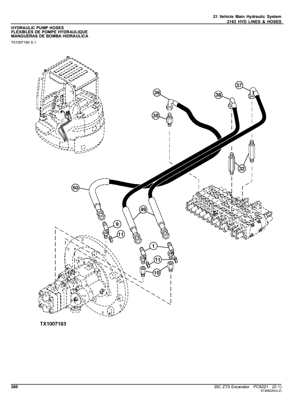
manualesdemaquinaria
Manual de Partes Excavadora John Deere 356C ZTS- PC9221
Manual de Partes Excavadora John Deere 356C ZTS- PC9221
Precio habitual
$29.60 USD
Precio habitual
Precio de oferta
$29.60 USD
Precio unitario
/
por
No se pudo cargar la disponibilidad de retiro

