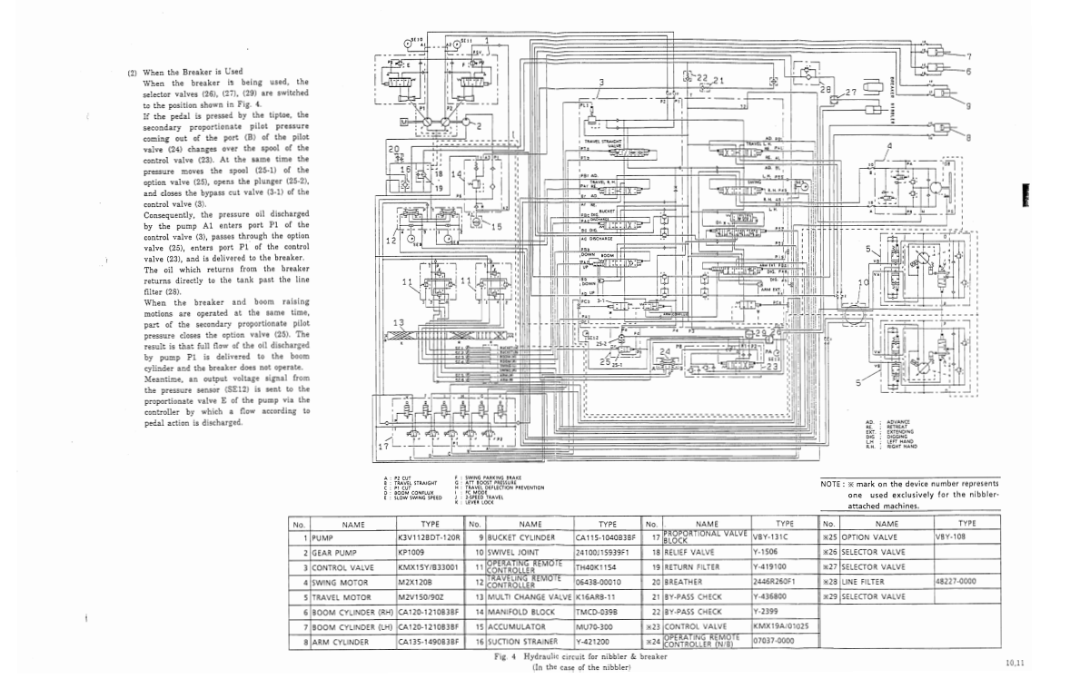
manualesdemaquinaria
Manual de Reparación Excavadora Kobelco SK200-2 , SK200LC-2
Manual de Reparación Excavadora Kobelco SK200-2 , SK200LC-2
Precio habitual
$26.91 USD
Precio habitual
Precio de oferta
$26.91 USD
Precio unitario
/
por
No se pudo cargar la disponibilidad de retiro


