manualesdemaquinaria
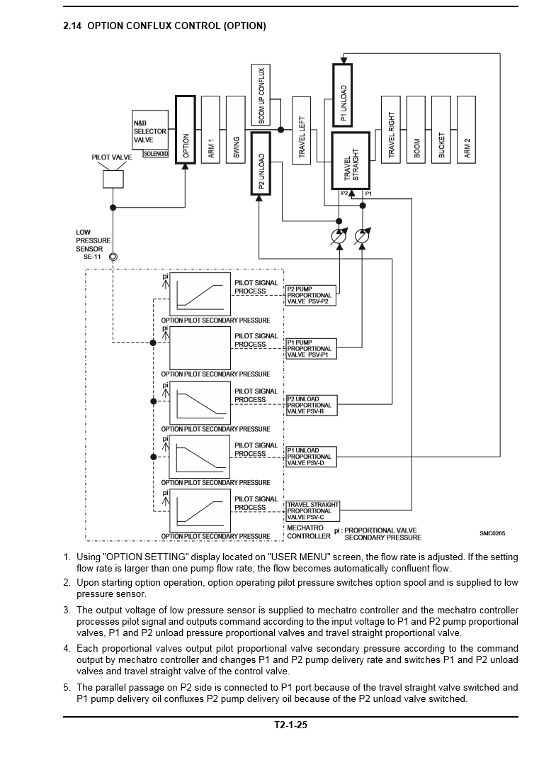
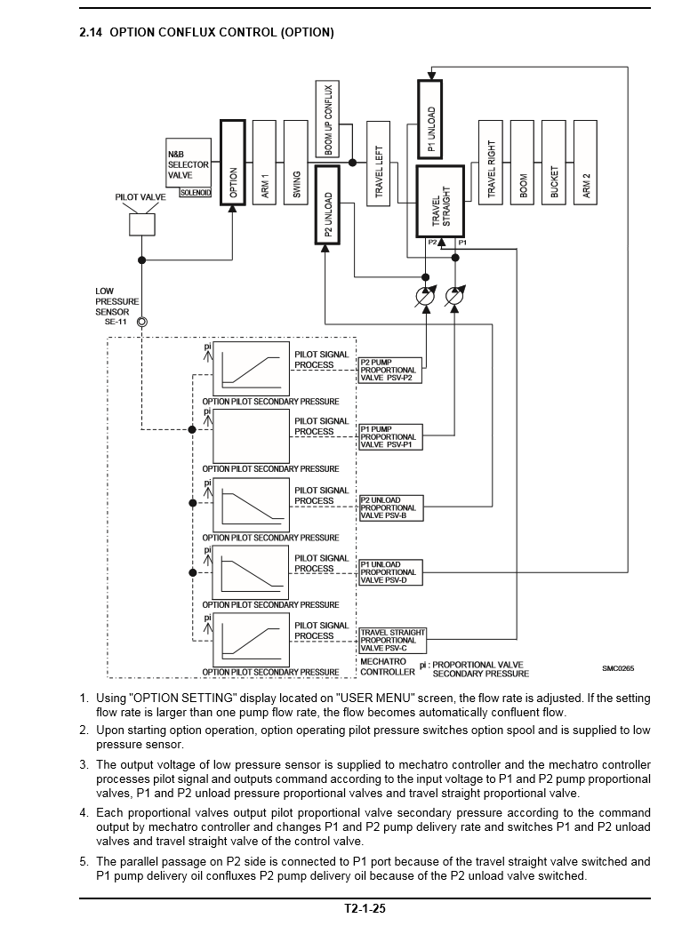
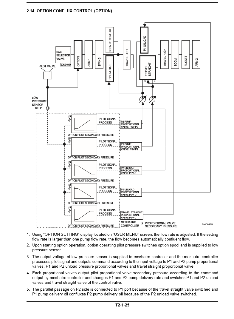
Manual de Reparación Excavadora Kobelco SK260-9, SK295-9
Manual de Reparación Excavadora Kobelco SK260-9, SK295-9
Precio habitual
$26.91 USD
Precio habitual
Precio de oferta
$26.91 USD
Precio unitario
/
por
No se pudo cargar la disponibilidad de retiro


