manualesdemaquinaria
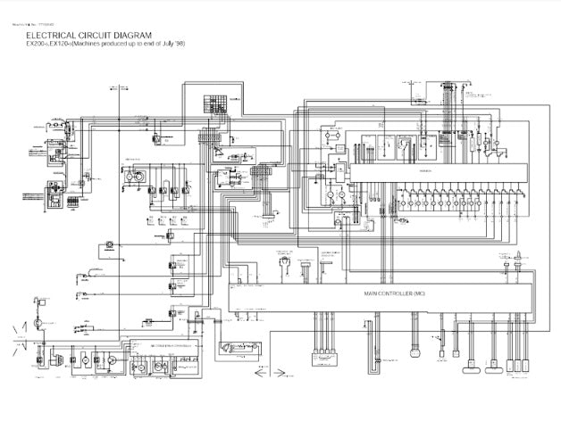
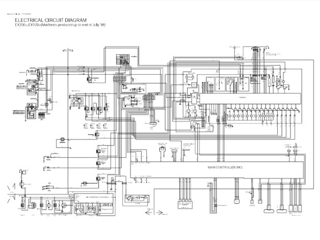
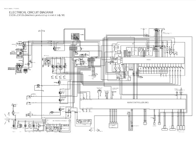
MANUAL DE SERVICIOS HITACHI EX120-5
MANUAL DE SERVICIOS HITACHI EX120-5
Precio habitual
$29.60 USD
Precio habitual
Precio de oferta
$29.60 USD
Precio unitario
/
por
No se pudo cargar la disponibilidad de retiro


