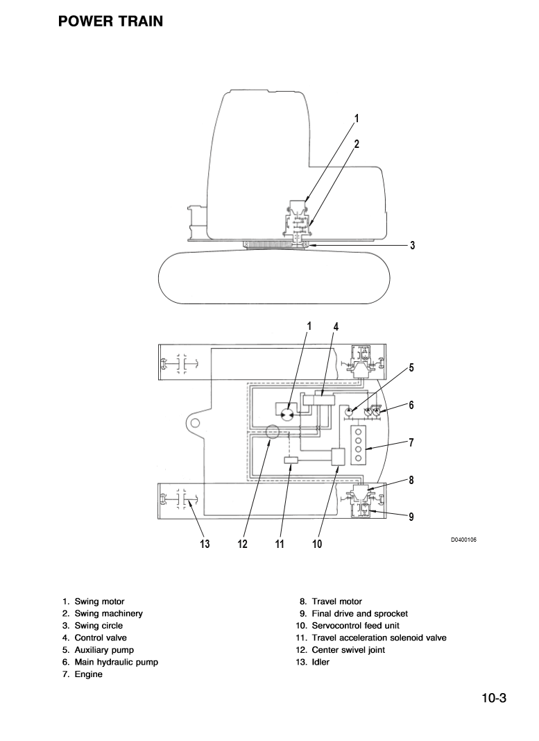
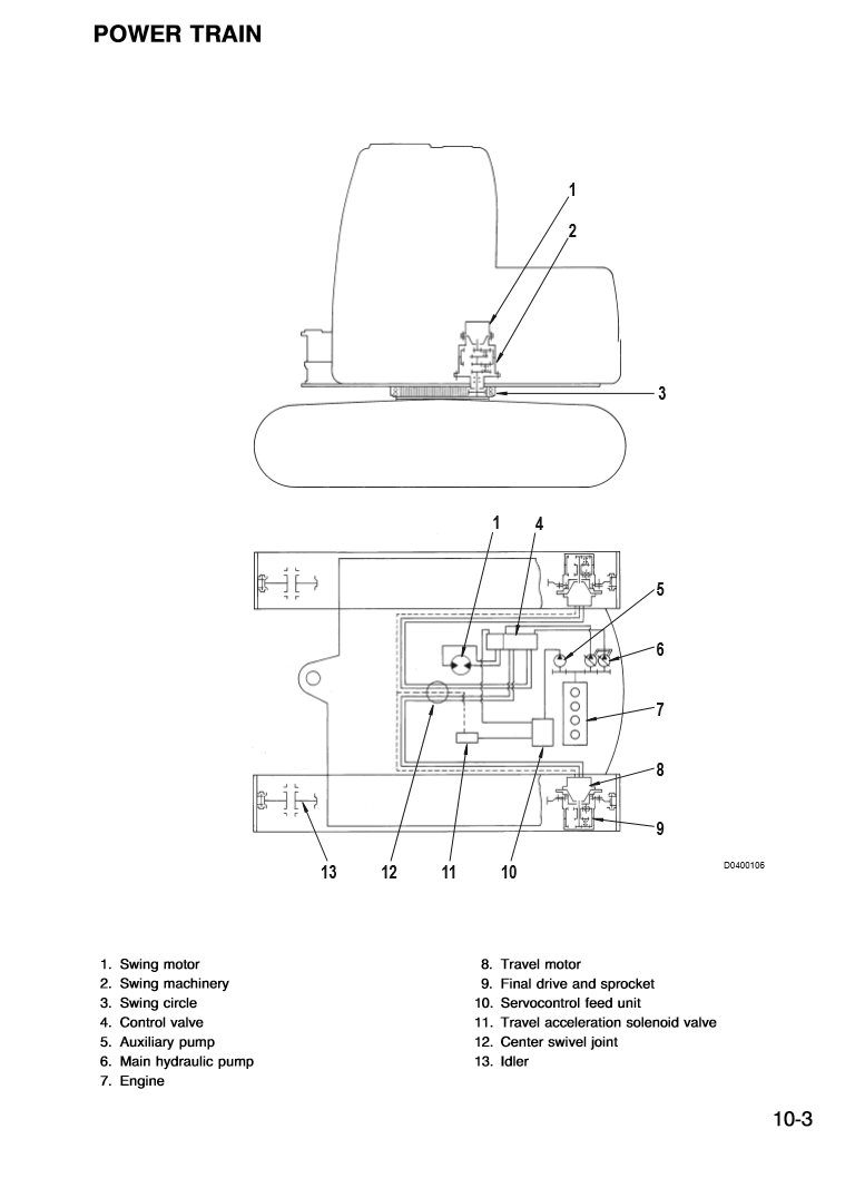
manualesdemaquinaria
Manual de Taller Excavadora Komatsu PC95-1
Manual de Taller Excavadora Komatsu PC95-1
Precio habitual
$26.91 USD
Precio habitual
Precio de oferta
$26.91 USD
Precio unitario
/
por
No se pudo cargar la disponibilidad de retiro


