manualesdemaquinaria
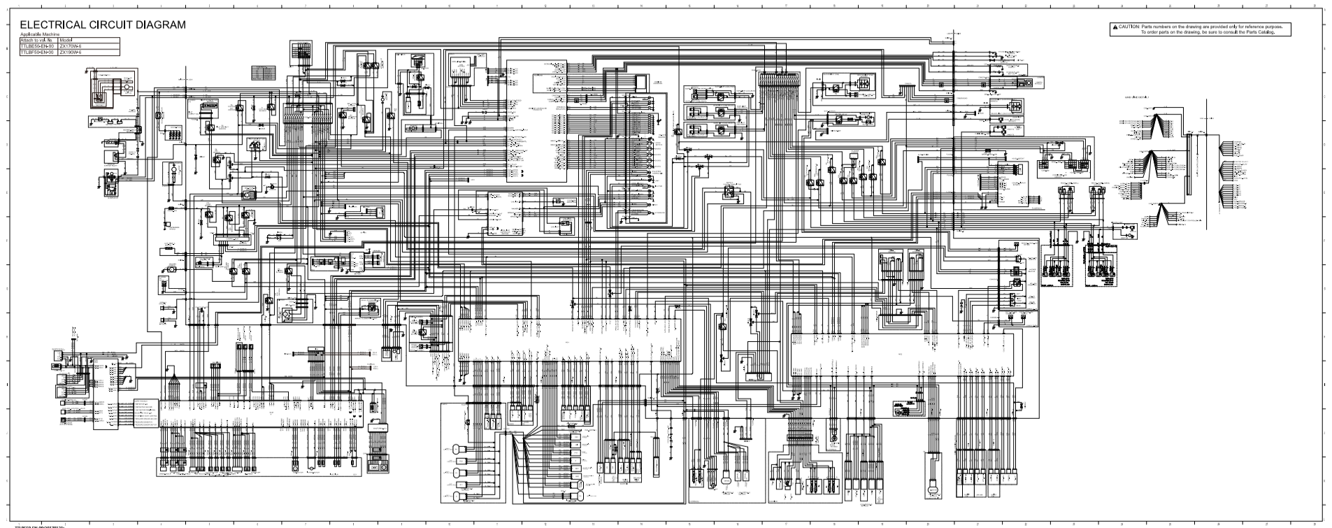
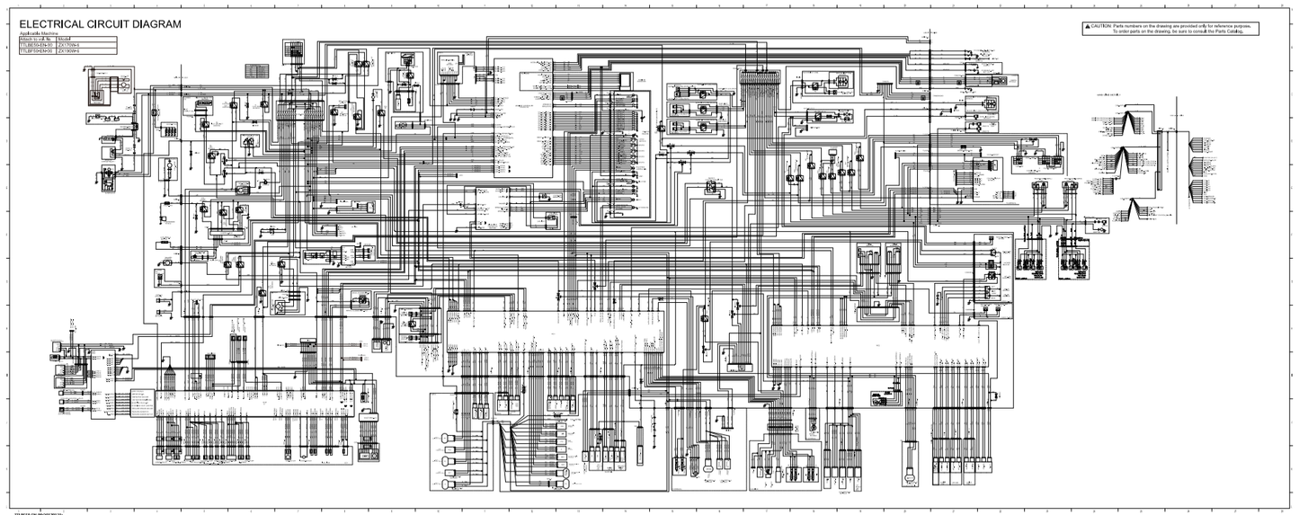
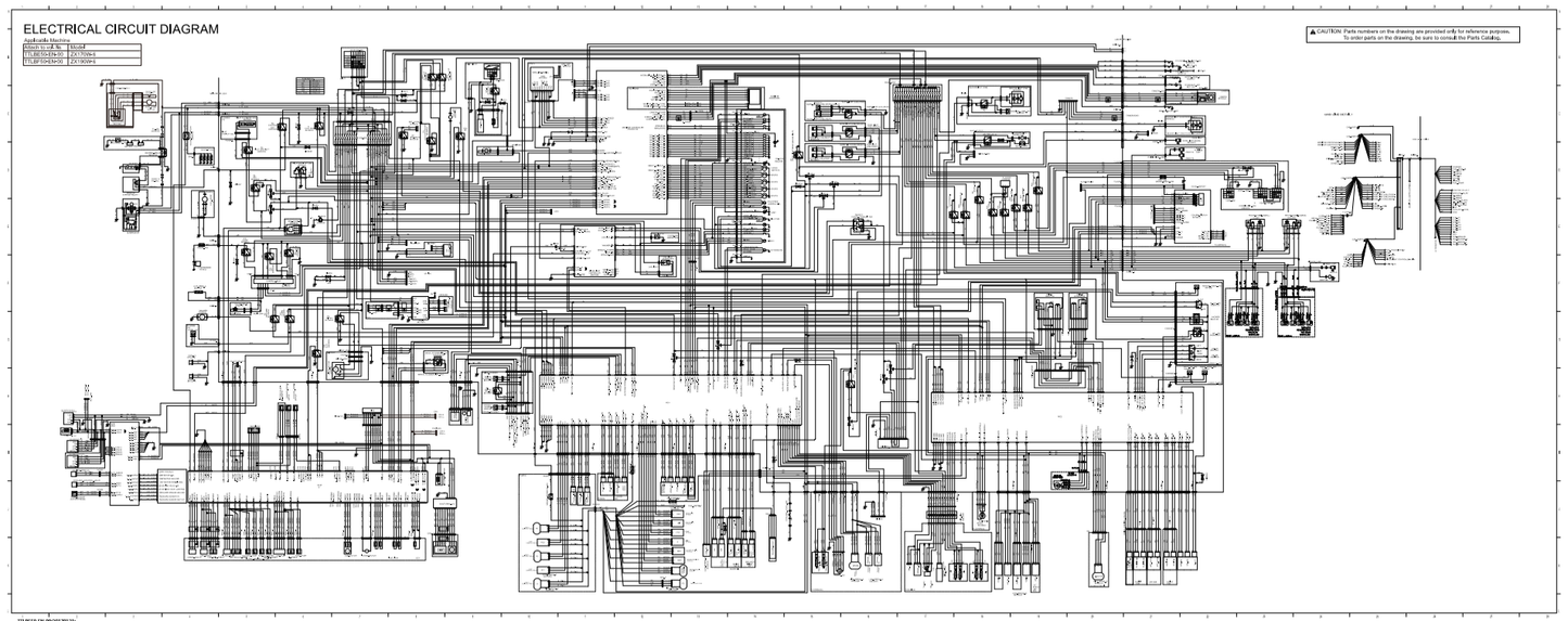
Manual Diagrama Eléctrico Excavadora sobre Ruedas Hitachi ZX 170W-6
Manual Diagrama Eléctrico Excavadora sobre Ruedas Hitachi ZX 170W-6
Precio habitual
$26.91 USD
Precio habitual
Precio de oferta
$26.91 USD
Precio unitario
/
por
No se pudo cargar la disponibilidad de retiro


