manualesdemaquinaria
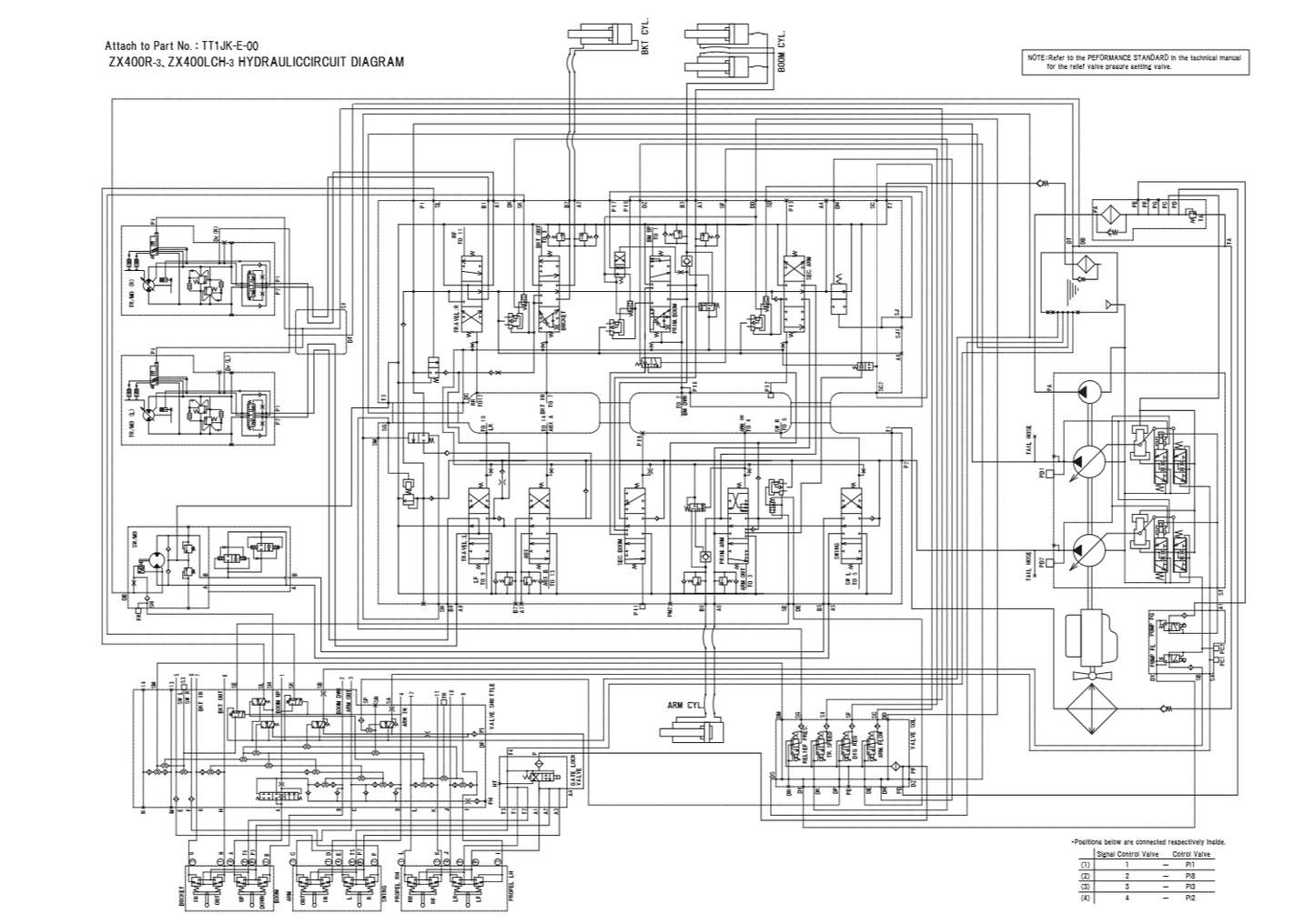
Manual Diagramas Hidráulico - Eléctrico Excavadora sobre Orugas Hitachi ZX400R-3, ZX400LCH-3
Manual Diagramas Hidráulico - Eléctrico Excavadora sobre Orugas Hitachi ZX400R-3, ZX400LCH-3
Precio habitual
$26.91 USD
Precio habitual
Precio de oferta
$26.91 USD
Precio unitario
/
por
No se pudo cargar la disponibilidad de retiro

