manualesdemaquinaria
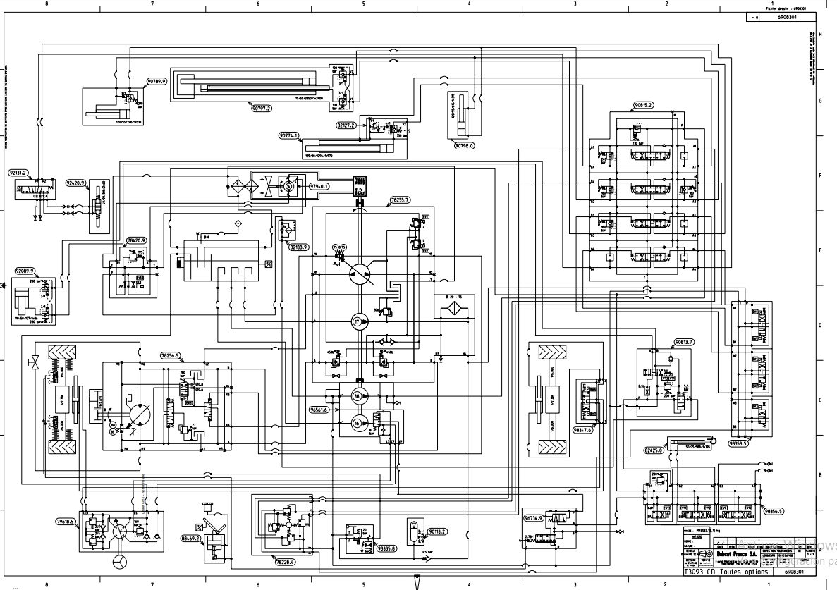
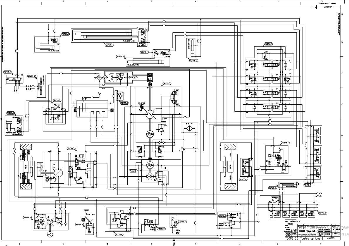
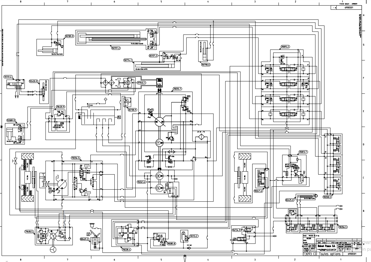
Manual Diagramas Hidraulicos Manipulador Telescopico Bobcat T3093CD
Manual Diagramas Hidraulicos Manipulador Telescopico Bobcat T3093CD
Precio habitual
$58.90 USD
Precio habitual
Precio de oferta
$58.90 USD
Precio unitario
/
por
No se pudo cargar la disponibilidad de retiro
